Technische tekeningen voor Iva Roma wit
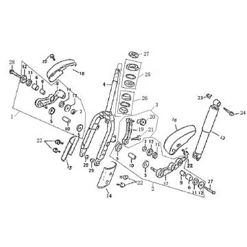
Klik hier op de technische tekeningen of te wel exploded view van de Iva Roma wit scooter waar u onderdelen of accessoires voor zoekt. De technische tekeningen van de Iva Roma wit geven u een duidelijk overzicht van de verschillende passende onderdelen en accessoires. Door zo uw onderdelen te zoeken, heeft u altijd passende onderdelen voor uw Iva Roma wit.


