USP Icon
Gemakkelijk retourneren
USP Icon
Klanten beoordelen Zandri met een 9
USP Icon
Meer dan 100.000 parts in het assortiment

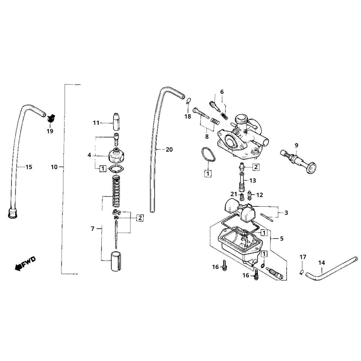
Carburateur Honda MB/MT/MTX 50

Carburateur Honda MB/MT/MTX 50
loader
Bezig met laden...