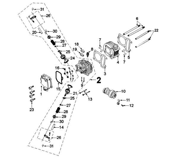
Cilinder Peugeot Tweet 125 EFI YO N SBC E4 2018-2020

Winkelwagen
producten in winkelwagen product in winkelwagen
Subtotaal:
Aflevering:
Ingeschat in de volgende stap
Subtotaal excl. BTW:
Reken af met uw account
Afrekenen als een nieuwe klant
Het aanmaken van een account heeft vele voordelen: