USP Icon
Gemakkelijk retourneren
USP Icon
Klanten beoordelen Zandri met een 9
USP Icon
Meer dan 100.000 parts in het assortiment

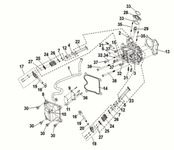
Cylinder head Sym Jet 14 125I LC E5 2021-2024

Cylinder head Sym Jet 14 125I LC E5 2021-2024
loader
Bezig met laden...

Sym Jet 14 125I LC E5 2021-2024 BLACK (BK-007U)