USP Icon
Gemakkelijk retourneren
USP Icon
Klanten beoordelen Zandri met een 9
USP Icon
Meer dan 100.000 parts in het assortiment

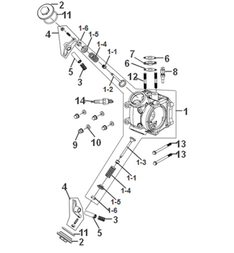
Cylinder head Sym Symphony ST 50 E5

Cylinder head Sym Symphony ST 50 E5
loader
Bezig met laden...