USP Icon
Gemakkelijk retourneren
USP Icon
Klanten beoordelen Zandri met een 9
USP Icon
Meer dan 100.000 parts in het assortiment

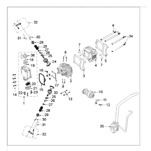
Cylinderkop - cylinder Peugeot Tweet 125 E3 010-2013

Cylinderkop - cylinder Peugeot Tweet 125 E3 010-2013
loader
Bezig met laden...