USP Icon
Gemakkelijk retourneren
USP Icon
Klanten beoordelen Zandri met een 9
USP Icon
Meer dan 100.000 parts in het assortiment

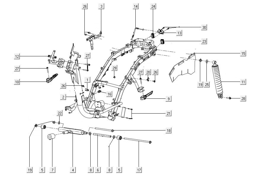
Frame body assy Kymco Filly 50 E5+

Frame body assy Kymco Filly 50 E5+
loader
Bezig met laden...