USP Icon
Gemakkelijk retourneren
USP Icon
Klanten beoordelen Zandri met een 9
USP Icon
Meer dan 100.000 parts in het assortiment

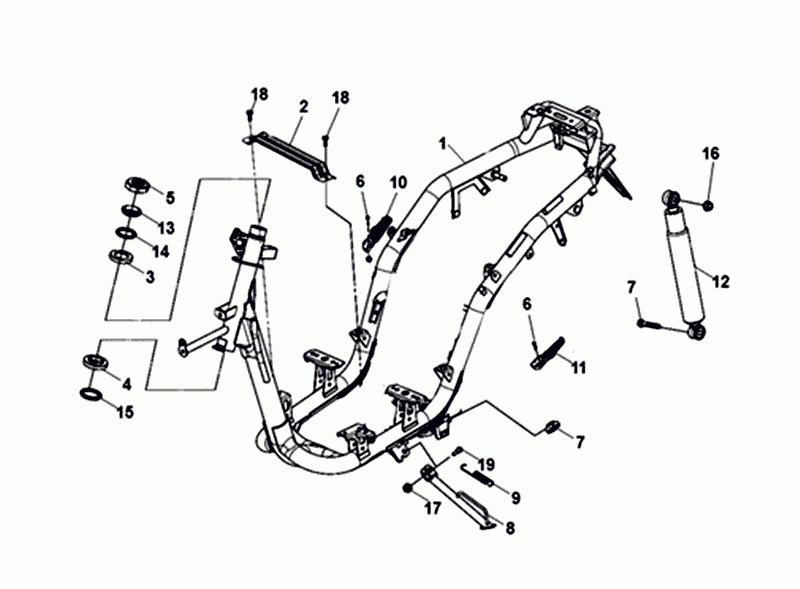
Frame Sym Mio 50i

Frame Sym Mio 50i
loader
Bezig met laden...