USP Icon
Gemakkelijk retourneren
USP Icon
Klanten beoordelen Zandri met een 9
USP Icon
Meer dan 100.000 parts in het assortiment

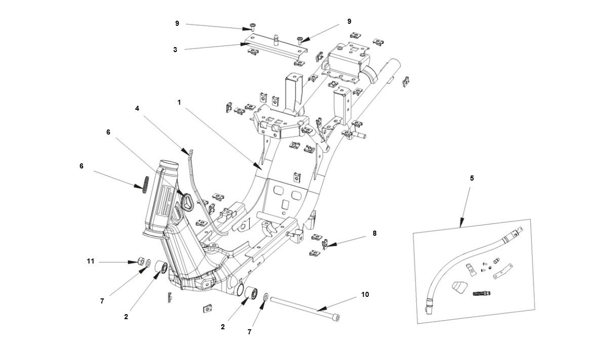
Frame-Bye Bike

Frame-Bye Bike
loader
Bezig met laden...