USP Icon
Gemakkelijk retourneren
USP Icon
Klanten beoordelen Zandri met een 9
USP Icon
Meer dan 100.000 parts in het assortiment

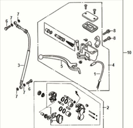
Front Brake Master Cylinder Sym Orbit III 125I E5

Front Brake Master Cylinder Sym Orbit III 125I E5
loader
Bezig met laden...