USP Icon
Gemakkelijk retourneren
USP Icon
Klanten beoordelen Zandri met een 9
USP Icon
Meer dan 100.000 parts in het assortiment

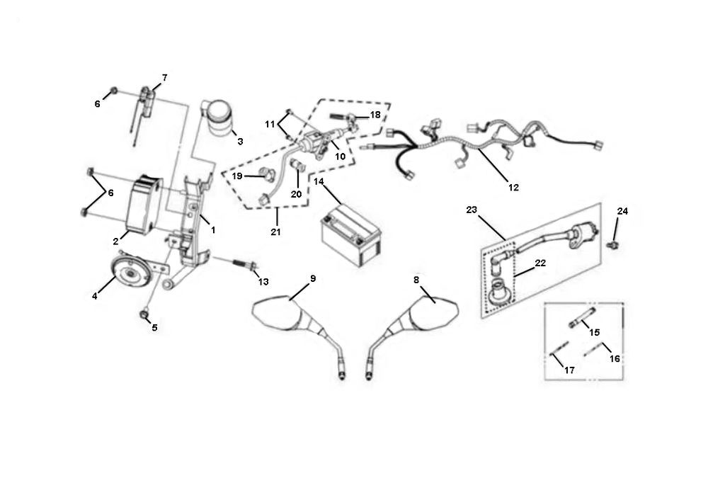
Kabelboom- Spiegels Sym Jet Sport-X 2-takt

Kabelboom- Spiegels Sym Jet Sport-X 2-takt
loader
Bezig met laden...