USP Icon
Gemakkelijk retourneren
USP Icon
Klanten beoordelen Zandri met een 9
USP Icon
Meer dan 100.000 parts in het assortiment

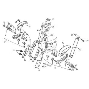
Onderkuip - Zijskirts Turbho RG50 blauw wit

Onderkuip - Zijskirts Turbho RG50 blauw wit
loader
Bezig met laden...

Onderdelen Turbho RG50 blauw wit