USP Icon
Gemakkelijk retourneren
USP Icon
Klanten beoordelen Zandri met een 9
USP Icon
Meer dan 100.000 parts in het assortiment

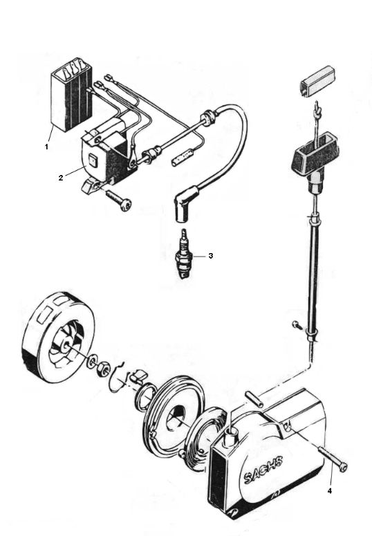
Ontsteking - Stator - Vliegwiel Sachs hand start

Ontsteking - Stator - Vliegwiel Sachs hand start
loader
Bezig met laden...