USP Icon
Gemakkelijk retourneren
USP Icon
Klanten beoordelen Zandri met een 9
USP Icon
Meer dan 100.000 parts in het assortiment

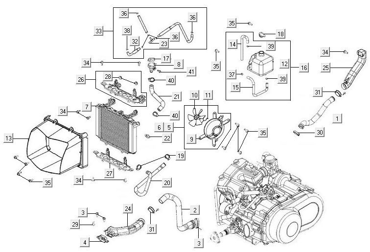
Radiateur - Koelsysteem Kymco MXU 500

Radiateur - Koelsysteem Kymco MXU 500
loader
Bezig met laden...