Technische tekeningen Agm VX50 Plus 3B3 (Euro 4; na 2018)
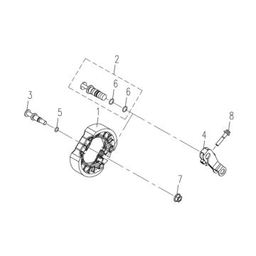
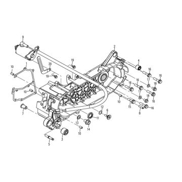
Klik hier op de technische tekeningen of te wel exploded view van de Agm VX50 Plus 3B3 (Euro 4; na 2018) scooter waar u onderdelen of accessoires voor zoekt. De technische tekeningen van de Agm VX50 Plus 3B3 (Euro 4; na 2018) geven u een duidelijk overzicht van de verschillende passende onderdelen en accessoires. Door zo uw onderdelen te zoeken, heeft u altijd passende onderdelen voor uw Agm VX50 Plus 3B3 (Euro 4; na 2018).


