Tomos Quadro 1996-1997 onderdelen
De Tomos Quadro 1996-1997 was de eerste uitvoering van de Quadro-serie en bracht een frisse, moderne uitstraling binnen het Tomos-assortiment. Dit model viel direct op door zijn stuurkap met geïntegreerde kilometerteller en knipperlichten, iets wat in die tijd vernieuwend was voor een Tomos brommer. Dankzij deze combinatie van stijl en functionaliteit werd de Quadro al snel populair bij een brede groep rijders.
Bij Zandri vind je zowel originele Tomos onderdelen als kwalitatieve vervangende onderdelen. Zo houd je jouw Tomos Quadro 1996-1997 altijd in topconditie, of je nu kiest voor OEM-kwaliteit of een voordelig alternatief.
Waarom kiezen voor de Tomos Quadro 1996-1997?
Als eerste model binnen de Quadro-serie zette de Tomos Quadro 1996-1997 de toon voor de daaropvolgende uitvoeringen. Het design met stuurkap, kilometerteller en knipperlichten maakte de brommer niet alleen moderner, maar ook veiliger en praktischer. In combinatie met het betrouwbare motorblok en de degelijke bouwkwaliteit werd dit model een geliefde keuze voor dagelijks gebruik én voor liefhebbers.
Veel bestelde Tomos Quadro onderdelen bij Zandri
Sommige onderdelen van de Tomos Quadro slijten sneller of worden vaak vervangen tijdens onderhoud. Bij Zandri hebben we deze onderdelen altijd ruim op voorraad. Denk hierbij aan:
- Banden
- Uitlaten
- Cilinders
- Luchtfilters
- Ketting en tandwielen
Deze onderdelen bestel je eenvoudig en snel, zodat je Tomos Quadro 1996-1997 altijd betrouwbaar en rijklaar blijft.
Originele en vervangende Tomos onderdelen
Bij Zandri bestel je zowel originele Tomos onderdelen als betrouwbare vervangende onderdelen. Originele onderdelen bieden de beste kwaliteit en pasvorm, terwijl vervangende onderdelen vaak een voordelig alternatief zijn. Zo bepaal je zelf welke optie het beste bij jouw Quadro past.
Daarnaast biedt Zandri de mogelijkheid om onderdelen te zoeken op OEM-nummers (ter referentie). Zo weet je altijd zeker dat je het juiste vervangende onderdeel bestelt.
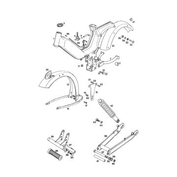
Vind eenvoudig het juiste onderdeel via technische tekeningen
Met behulp van de duidelijke technische tekeningen zie je precies waar elk onderdeel hoort. Je hoeft dus nooit te gokken en bestelt altijd het juiste onderdeel via onze webshop.
Zo werkt het:
- Kies jouw Tomos Quadro 1996-1997 model
- Bekijk de technische tekening
- Klik op het onderdeel dat je zoekt
- Bestel direct online
Montagehulp via ons YouTube-kanaal
Heb je hulp nodig bij het monteren van onderdelen? Op ons YouTube-kanaal vind je handige montagevideo’s speciaal voor Tomos brommers. Hier laten we stap voor stap zien hoe je onderdelen monteert en je Quadro 1996-1997 in topconditie houdt.
Waarom onderdelen bestellen bij Zandri?
- Snelle levering – levertijd 1-3 werkdagen
- Veel op voorraad – originele én vervangende Tomos onderdelen
- Duidelijke tekeningen – je bestelt altijd het juiste onderdeel
- Goede klantenservice – wij denken met je mee
Bestel Tomos Quadro 1996-1997 onderdelen bij Zandri
Of je nu kiest voor originele onderdelen of een voordelig vervangend alternatief: bij Zandri vind je alles om jouw Tomos Quadro 1996-1997 in topconditie te houden. Profiteer van ons ruime aanbod, snelle levering en uitstekende service.


