USP Icon
Gemakkelijk retourneren
USP Icon
Klanten beoordelen Zandri met een 9
USP Icon
Meer dan 100.000 parts in het assortiment

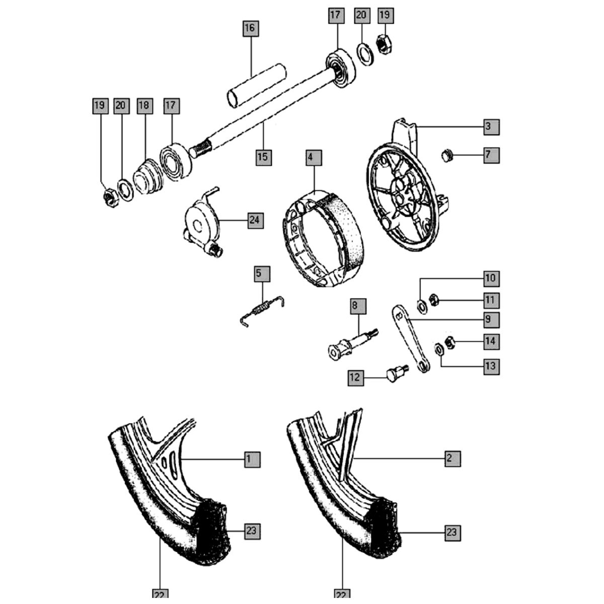
Voorwiel Tomos LUXE EX (L0-L1)

Voorwiel Tomos LUXE EX (L0-L1)
loader
Bezig met laden...