USP Icon
Gemakkelijk retourneren
USP Icon
Klanten beoordelen Zandri met een 9
USP Icon
Meer dan 100.000 parts in het assortiment

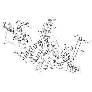
Koplamp Lintex Retro HT50QT-29 blauw creme

Koplamp Lintex Retro HT50QT-29 blauw creme
loader
Bezig met laden...

Onderdelen Lintex Retro HT50QT-29 blauw creme