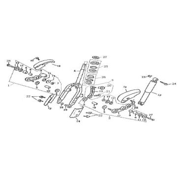
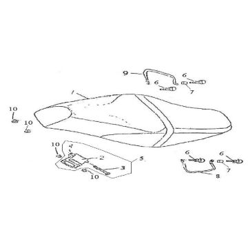
Technische tekeningen voor AGM GT blauw
Klik hier op de technische tekeningen of te wel exploded view van de AGM GT roze scooter waar u onderdelen of accessoires voor zoekt. De technische tekeningen van de AGM GT-50 geven u een duidelijk overzicht van de verschillende passende onderdelen en accessoires. Door zo uw onderdelen te zoeken, heeft u altijd passende onderdelen voor uw AGM GT blauw.


