Technische tekeningen AGM Retro na 2013 geel creme
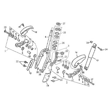
Klik hier op de technische tekeningen of te wel exploded view van de AGM Retro na 2013 geel creme scooter waar u onderdelen of accessoires voor zoekt. De technische tekeningen van de AGM Retro-50 geven u een duidelijk overzicht van de verschillende passende onderdelen en accessoires. Door zo uw onderdelen te zoeken, heeft u altijd passende onderdelen voor uw AGM Retro na 2013 geel creme.


