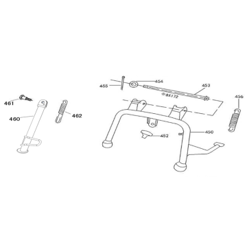
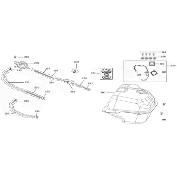
Technische tekeningen AGM Star 50cc creme grijs
Klik hier op de technische tekeningen of te wel exploded view van de AGM Star 50cc creme grijs scooter waar u onderdelen of accessoires voor zoekt. De technische tekeningen van de AGM Star-50 geven u een duidelijk overzicht van de verschillende passende onderdelen en accessoires. Door zo uw onderdelen te zoeken, heeft u altijd passende onderdelen voor uw AGM Star 50cc creme grijs.


