Technische tekeningen AGM VX 50cc lichtblauw metallic
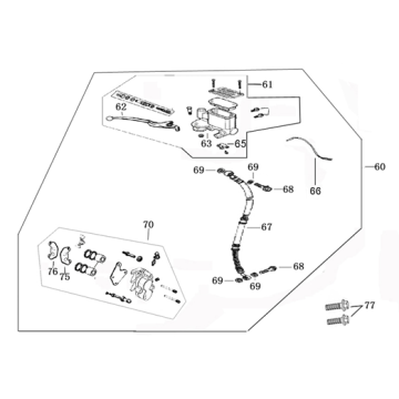
Klik hier op de technische tekeningen of te wel exploded view van de AGM VX 50cc lichtblauw metallic scooter waar u onderdelen of accessoires voor zoekt. De technische tekeningen van de AGM VX-50 geven u een duidelijk overzicht van de verschillende passende onderdelen en accessoires. Door zo uw onderdelen te zoeken, heeft u altijd passende onderdelen voor uw AGM VX 50cc lichtblauw metallic.


