Technische tekeningen voor China Ape50 wit
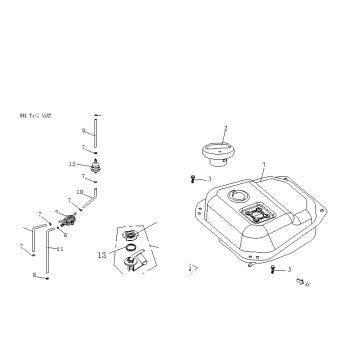
Klik hier op de technische tekeningen of te wel exploded view van de China Ape50 wit scooter waar u onderdelen of accessoires voor zoekt. De technische tekeningen van de China Ape50 wit geven u een duidelijk overzicht van de verschillende passende onderdelen en accessoires. Door zo uw onderdelen te zoeken, heeft u altijd passende onderdelen voor uw China Ape50 wit.


