Technische tekeningen voor Eagle-Wing Torino blauw creme
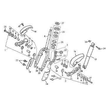
Klik hier op de technische tekeningen of te wel exploded view van de Eagle-Wing Torino blauw creme scooter waar u onderdelen of accessoires voor zoekt. De technische tekeningen van de Eagle-Wing Torino blauw creme geven u een duidelijk overzicht van de verschillende passende onderdelen en accessoires. Door zo uw onderdelen te zoeken, heeft u altijd passende onderdelen voor uw Eagle-Wing Torino blauw creme.


