Technische tekeningen voor Edwards Tomorrow Maple V50-3 oranje
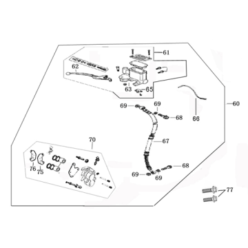
Klik hier op de technische tekeningen of te wel exploded view van de Edwards Tomorrow Maple V50-3 oranje scooter waar u onderdelen of accessoires voor zoekt. De technische tekeningen van de Edwards Tomorrow Maple V50-3 oranje geven u een duidelijk overzicht van de verschillende passende onderdelen en accessoires. Door zo uw onderdelen te zoeken, heeft u altijd passende onderdelen voor uw Edwards Tomorrow Maple V50-3 oranje.


