Technische tekeningen voor Fosti Retro 125cc
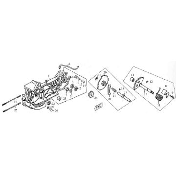
Klik hier op de technische tekeningen of te wel exploded view van de Fosti Retro 125cc scooter waar u onderdelen of accessoires voor zoekt. De technische tekeningen van de Fosti Retro 125cc geven u een duidelijk overzicht van de verschillende passende onderdelen en accessoires. Door zo uw onderdelen te zoeken, heeft u altijd passende onderdelen voor uw Fosti Retro 125cc.
Alleen in het zwart.
De Fosti Retro 125cc, die enkel verkrijgbaar is in het zwart, is een echte retro motorscooter. Prachtige retro looks en een zeer krachtig motorblok. Daarnaast is het motorblok ook nog een zeer geluidsarm en zuinig, ook is deze geschikt voor zowel euro 98 als euro 95. Tevens kan het moeilijk zijn om een 125cc scooter onder controle te houden, bij dit type is dat geen probleem, dit komt door zijn brede stuur en uitstekende wegligging.


