Technische tekeningen voor Generic Cracker blauw 2010 2-takt 25
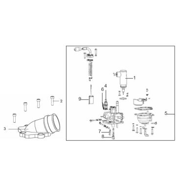
Klik hier op de technische tekeningen of te wel exploded view van de Generic Cracker blauw 2010 2-takt 25 scooter waar u onderdelen of accessoires voor zoekt. De technische tekeningen van de Generic Cracker blauw 2010 2-takt 25 geven u een duidelijk overzicht van de verschillende passende onderdelen en accessoires. Door zo uw onderdelen te zoeken, heeft u altijd passende onderdelen voor uw Generic Cracker blauw 2010 2-takt 25.


