Technische tekeningen voor Generic Ideo wit 2010 2-takt
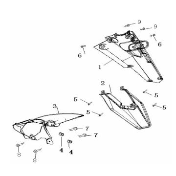
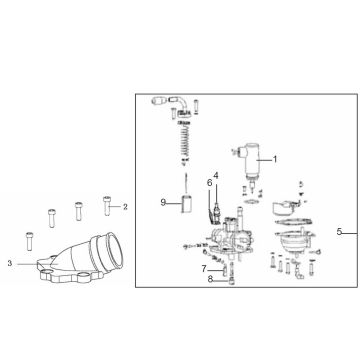
Klik hier op de technische tekeningen of te wel exploded view van de Generic Ideo wit 2010 2-takt scooter waar u onderdelen of accessoires voor zoekt. De technische tekeningen van de Generic Ideo wit 2010 2-takt geven u een duidelijk overzicht van de verschillende passende onderdelen en accessoires. Door zo uw onderdelen te zoeken, heeft u altijd passende onderdelen voor uw Generic Ideo wit 2010 2-takt.


