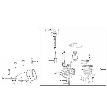
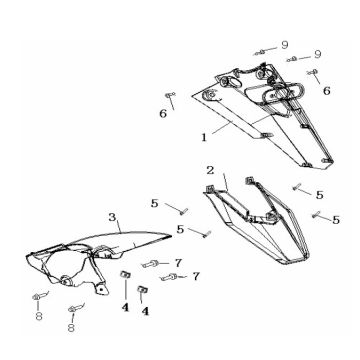
Technische tekeningen voor Generic Roc rood 2010 2-takt 25
Klik hier op de technische tekeningen of te wel exploded view van de Generic Roc rood 2010 2-takt 25 scooter waar u onderdelen of accessoires voor zoekt. De technische tekeningen van de Generic Roc rood 2010 2-takt 25 geven u een duidelijk overzicht van de verschillende passende onderdelen en accessoires. Door zo uw onderdelen te zoeken, heeft u altijd passende onderdelen voor uw Generic Roc rood 2010 2-takt 25.


