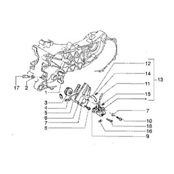
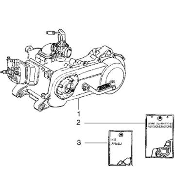
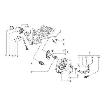
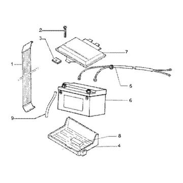
Originele onderdelen voor Gilera Runner 180cc
De technische tekeningen van de Gilera Runner 180cc 2-takt geven u de mogelijk om elk onderdeel eenvoudig op te zoeken. De scooter is opgedeeld in duidelijke en overzichtelijk technische tekeningen, ook wel "exploded views" genoemd. Zo weet u zeker dat u het juiste onderdeel bestelt. De onderdelen die aangeboden op deze tekeningen zijn origineel en hebben dus de beste pasvorm en zijn van de beste kwaliteit.


