Honda MT onderdelen
De Honda MT is een van de meest iconische bromfietsen van Honda en werd vooral populair in de jaren ’80. Deze sportieve brommer stond bekend om zijn sterke tweetaktmotor, degelijke Japanse techniek en stoere uitstraling. De Honda MT was leverbaar in zowel een 50cc als een 80cc uitvoering. Bij Zandri vind je niet alleen de juiste onderdelen, maar ook de technische tekeningen van zowel de 50cc als de 80cc Honda MT. Zo weet je altijd zeker dat je het juiste onderdeel bestelt.
Omdat originele onderdelen vaak niet meer leverbaar zijn, biedt Zandri een ruim assortiment vervangende onderdelen waarmee je jouw Honda MT in topconditie houdt.
Waarom kiezen voor de Honda MT?
De Honda MT was destijds razend populair door zijn sportieve prestaties, betrouwbare motorblok en robuuste bouw. Vandaag de dag is de MT nog steeds geliefd onder verzamelaars en liefhebbers die hun klassieker in topstaat willen houden. Dankzij de duidelijke technische tekeningen bij Zandri bestel je altijd het juiste onderdeel, of het nu gaat om de 50cc of 80cc uitvoering.
Veel bestelde Honda MT onderdelen bij Zandri
Sommige onderdelen van de Honda MT slijten sneller of worden vaak vervangen tijdens onderhoud. Bij Zandri hebben we deze onderdelen altijd ruim op voorraad. Denk hierbij aan:
- Uitlaten
- Cilinders
- Luchtfilters
- Carburateurs
- Koppelings-delen
- Lagers en keerringen
- Elektrische delen
Deze onderdelen bestel je eenvoudig en snel, zodat je Honda MT altijd betrouwbaar en rijklaar blijft.
Betrouwbare vervangende Honda onderdelen
Bij Zandri bestel je uitsluitend vervangende Honda onderdelen, zorgvuldig geselecteerd op kwaliteit en pasvorm. Zo weet je zeker dat jouw MT uitstekend blijft rijden, ook al zijn originele onderdelen vaak niet meer beschikbaar.
Daarnaast biedt Zandri de mogelijkheid om onderdelen te zoeken op OEM-nummers (ter referentie). Zo bestel je altijd het juiste vervangende onderdeel voor jouw Honda MT.
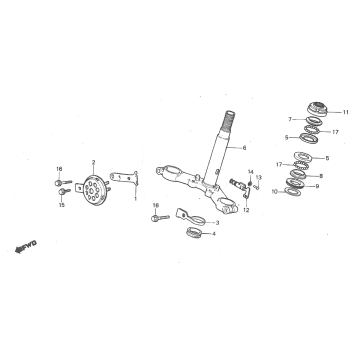
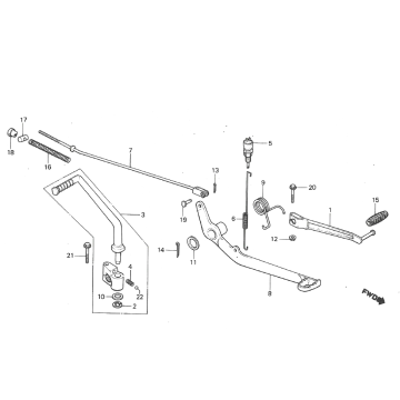
Vind eenvoudig het juiste onderdeel via technische tekeningen
Met behulp van de duidelijke technische tekeningen van de Honda MT 50cc en Honda MT 80cc zie je precies waar elk onderdeel hoort. Je hoeft dus nooit te gokken en bestelt altijd het juiste onderdeel via onze webshop.
Zo werkt het:
- Kies jouw Honda MT model (50cc of 80cc)
- Bekijk de technische tekening
- Klik op het onderdeel dat je zoekt
- Bestel direct online
Montagehulp via ons YouTube-kanaal
Heb je hulp nodig bij het monteren van onderdelen? Op ons YouTube-kanaal vind je handige montagevideo’s speciaal voor Honda bromfietsen zoals de MT. Hier laten we stap voor stap zien hoe je onderdelen monteert en jouw brommer in topconditie houdt.
Waarom onderdelen bestellen bij Zandri?
- Snelle levering – levertijd 1-3 werkdagen
- Veel op voorraad – vervangende Honda onderdelen
- Duidelijke tekeningen – je bestelt altijd het juiste onderdeel
- Goede klantenservice – wij denken met je mee
Bestel Honda MT onderdelen bij Zandri
Bij Zandri vind je alles om jouw Honda MT in topconditie te houden. Wij leveren een ruim aanbod vervangende onderdelen én bieden de technische tekeningen voor zowel de 50cc als de 80cc uitvoering. Zo weet je zeker dat je altijd het juiste onderdeel bestelt. Profiteer van ons brede assortiment, snelle levering en uitstekende service.


