Technische tekeningen voor Killerbee VXL mat antraciet
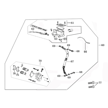
Klik hier op de technische tekeningen of te wel exploded view van de Killerbee VXL mat antraciet scooter waar u onderdelen of accessoires voor zoekt. De technische tekeningen van de Killerbee VXL mat antraciet geven u een duidelijk overzicht van de verschillende passende onderdelen en accessoires. Door zo uw onderdelen te zoeken, heeft u altijd passende onderdelen voor uw Killerbee VXL mat antraciet.


