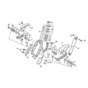
Technische tekeningen voor Killerbee Torino 125cc
Klik hier op de technische tekeningen of te wel exploded view van de Killerbee Torino 125cc scooter waar u onderdelen of accessoires voor zoekt. De technische tekeningen van de Killerbee Torino 125cc geven u een duidelijk overzicht van de verschillende passende onderdelen en accessoires. Door zo uw onderdelen te zoeken, heeft u altijd passende onderdelen voor uw Killerbee Torino 125cc.
Gemakkelijk onderdelen vinden!
Onderdelen en accessoires die altijd 100% zeker passen. Door middel van de bovenstaande technische tekeningen wordt het u een stuk makkelijker gemaakt om de juist onderdelen bij uw scooter te vinden. Zo hebben wij van bijna elk deel van de scooter een aparte tekening, met daarin de onderdelen die geschikt zijn voor uw Killerbee Torino 125cc. Tevens heeft u, als u gebruik maakt van de producten uit de tekening, de minste kans op slijtage.
Het 125cc motorblok.
Een motorscooter heeft natuurlijk altijd een krachtiger motorblok als normale scooter. Het kan daarom wel wat lastiger worden om deze scooter, met al zijn kracht, onder controle te houden. Gelukkig wordt dit door het brede stuur en prima wegligging verholpen. Naast dat het motorblok zeer krachtig is, is deze ook heel zuinig en vrij stil. De looks is ook iets wat deze scooter onderscheidt van de rest. Een zwarte scooter met een prachtige retro look met een zeer breed stuur.


