Technische tekeningen voor Kymco Agility 12' 4-takt zilver
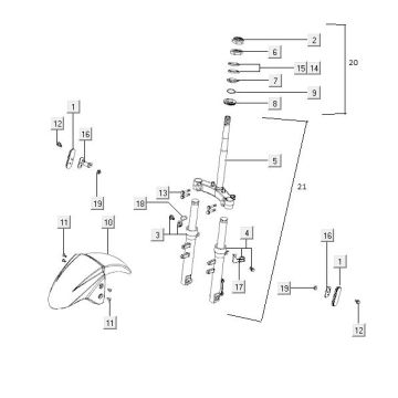
Klik hier op de technische tekeningen of te wel exploded view van de Kymco Agility 12' 4-takt zilver waar u onderdelen of accessoires voor zoekt. De technische tekeningen van de Kymco Agility 12' 4-takt zilver geven u een duidelijk overzicht van de verschillende passende onderdelen en accessoires. Door zo uw onderdelen te zoeken, heeft u altijd passende onderdelen voor uw Kymco Agility 12' 4-takt zilver.


