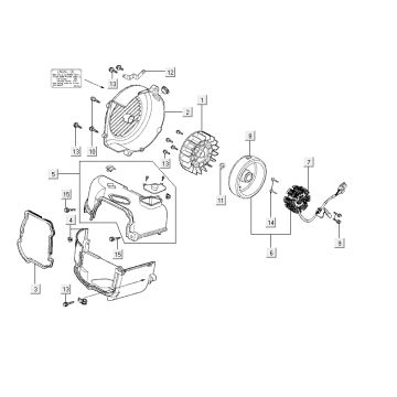
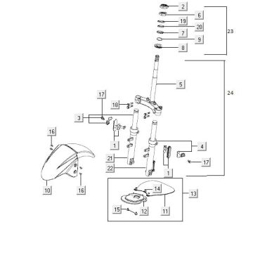
Technische tekeningen voor Kymco Agility Fat 12' 4-takt zwart (lang zadel)
Klik hier op de technische tekeningen of te wel exploded view van de Kymco Agility Fat 12' 4-takt zwart met lang zadel waar u onderdelen of accessoires voor zoekt. De technische tekeningen van de Kymco Agility Fat 12' 4-takt zwart geven u een duidelijk overzicht van de verschillende passende onderdelen en accessoires. Door zo uw onderdelen te zoeken, heeft u altijd passende onderdelen voor uw Kymco Agility Fat 12' 4-takt zwart.
 
            


 
             
             
             
             
             
             
             
             
             
             
             
             
             
             
             
             
            