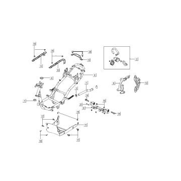
Technische tekeningen voor Kymco Agility FR 12' 4-takt Euro4 (lang zadel) wit
Klik hier op de technische tekeningen of te wel exploded view van de Kymco Agility FR 12' 4-takt Euro4 wit waar u onderdelen of accessoires voor zoekt. De technische tekeningen van de Kymco Agility FR 12' 4-takt Euro4 wit geven u een duidelijk overzicht van de verschillende passende onderdelen en accessoires. Door zo uw onderdelen te zoeken, heeft u altijd passende onderdelen voor uw Kymco Agility FR 12' 4-takt Euro4 wit.


