Technische tekeningen voor Kymco Agility RS 4-takt wit 09
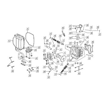
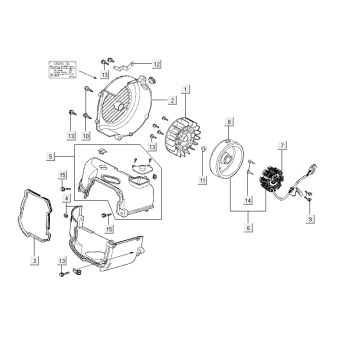
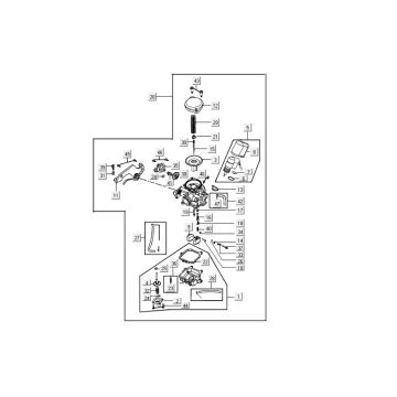
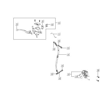
Klik hier op de technische tekeningen of te wel exploded view van de Kymco Agility RS 4-takt wit 09 waar u onderdelen of accessoires voor zoekt. De technische tekeningen van de Kymco Agility RS 4-takt wit 09 geven u een duidelijk overzicht van de verschillende passende onderdelen en accessoires. Door zo uw onderdelen te zoeken, heeft u altijd passende onderdelen voor uw Kymco Agility RS 4-takt wit 09.
 
            


 
             
             
             
             
             
             
             
             
             
             
             
             
             
             
             
             
            