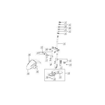
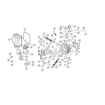
Technische tekeningen voor Kymco carry 4-takt zwart
Klik hier op de technische tekeningen of te wel exploded view van de Kymco carry 4-takt zwart waar u onderdelen of accessoires voor zoekt. De technische tekeningen van de Kymco carry 4-takt zwart geven u een duidelijk overzicht van de verschillende passende onderdelen en accessoires. Door zo uw onderdelen te zoeken, heeft u altijd passende onderdelen voor uw Kymco carry 4-takt zwart.


