Technische tekeningen voor Kymco G-Dink 2-takt Donkergrijs
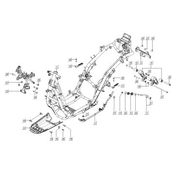
Klik hier op de technische tekeningen of te wel exploded view van de Kymco G-Dink 2-takt Donkergrijs waar u onderdelen of accessoires voor zoekt. De technische tekeningen van de Kymco G-Dink 2-takt Donkergrijs geven u een duidelijk overzicht van de verschillende passende onderdelen en accessoires. Door zo uw onderdelen te zoeken, heeft u altijd passende onderdelen voor uw Kymco G-Dink 2-takt Donkergrijs.


