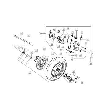
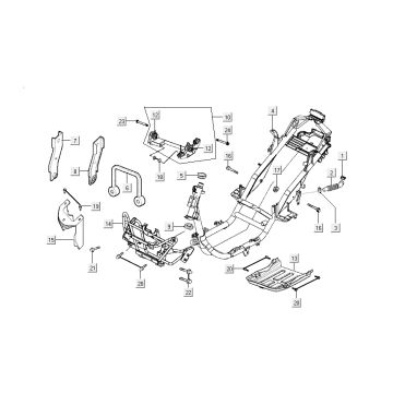
Technische tekeningen voor Kymco Grand Dink 2-takt Champagne
Klik hier op de technische tekeningen of te wel exploded view van de Kymco Grand Dink 2-takt Champagne waar u onderdelen of accessoires voor zoekt. De technische tekeningen van de Kymco Grand Dink 2-takt Champagne geven u een duidelijk overzicht van de verschillende passende onderdelen en accessoires. Door zo uw onderdelen te zoeken, heeft u altijd passende onderdelen voor uw Kymco Grand Dink 2-takt Champagne.


