Technische tekeningen voor Kymco MXU 300R
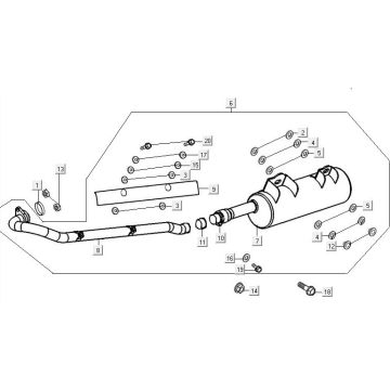
Klik hier op de technische tekeningen of te wel exploded view van de Kymco MXU 300R quad waar u onderdelen of accessoires voor zoekt. De technische tekeningen van de Kymco MXU 300R geven u een duidelijk overzicht van de verschillende passende onderdelen en accessoires. Door zo uw onderdelen te zoeken, heeft u altijd passende onderdelen voor uw Kymco MXU 300R.
 
            

