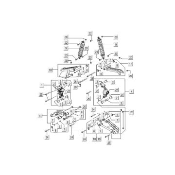
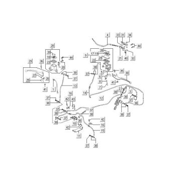
Technische tekeningen voor Kymco MXU 400
Klik hier op de technische tekeningen of te wel exploded view van de Kymco MXU 400 quad waar u onderdelen of accessoires voor zoekt. De technische tekeningen van de Kymco MXU 400 geven u een duidelijk overzicht van de verschillende passende onderdelen en accessoires. Door zo uw onderdelen te zoeken, heeft u altijd passende onderdelen voor uw Kymco MXU 400.
 
            

