Technische tekeningen voor Kymco People 2-takt 50cc blauw
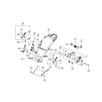
Klik hier op de technische tekeningen of te wel exploded view van de Kymco People 2-takt 50cc blauw waar u onderdelen of accessoires voor zoekt. De technische tekeningen van de Kymco People 2-takt 50cc blauw geven u een duidelijk overzicht van de verschillende passende onderdelen en accessoires. Door zo uw onderdelen te zoeken, heeft u altijd passende onderdelen voor uw Kymco People 2-takt 50cc blauw.


