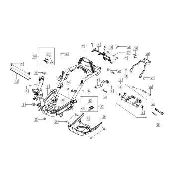
Technische tekeningen voor Kymco Sento 4-takt bruin
Klik hier op de technische tekeningen of te wel exploded view van de Kymco Sento 4-takt bruin waar u onderdelen of accessoires voor zoekt. De technische tekeningen van de Kymco Sento 4-takt bruin geven u een duidelijk overzicht van de verschillende passende onderdelen en accessoires. Door zo uw onderdelen te zoeken, heeft u altijd passende onderdelen voor uw Kymco Sento 4-takt bruin.


