Technische tekeningen voor Kymco Super9 2t lc o.m matzwart-geel
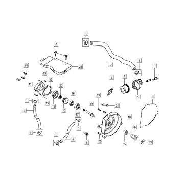
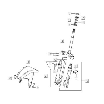
Klik hier op de technische tekeningen of te wel exploded view van de Kymco Super9 2t lc o.m matzwart-geel waar u onderdelen of accessoires voor zoekt. De technische tekeningen van de Kymco Super9 2t lc o.m matzwart-geel geven u een duidelijk overzicht van de verschillende passende onderdelen en accessoires. Door zo uw onderdelen te zoeken, heeft u altijd passende onderdelen voor uw Kymco Super9 2t lc o.m matzwart-geel.


