Technische tekeningen voor Kymco Super8 4-takt (2007-2009) rood zwart
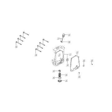
Klik hier op de technische tekeningen of te wel exploded view van de Kymco Super8 4-takt (2007-2009) rood zwart waar u onderdelen of accessoires voor zoekt. De technische tekeningen van de Kymco Super8 4-takt (2007-2009) rood zwart geven u een duidelijk overzicht van de verschillende passende onderdelen en accessoires. Door zo uw onderdelen te zoeken, heeft u altijd passende onderdelen voor uw Kymco Super8 4-takt (2007-2009) rood zwart.


