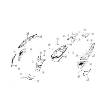
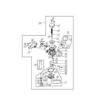
Technische tekeningen voor de Kymco Super8 4-takt v.a 2009 mat zwart
Klik hier op de technische tekeningen of te wel exploded view van de Kymco Super8 4-takt v.a 2009 mat zwart waar u onderdelen of accessoires voor zoekt. De technische tekeningen van de Kymco Super8 4-takt v.a 2009 mat zwart geven u een duidelijk overzicht van de verschillende passende onderdelen en accessoires. Door zo uw onderdelen te zoeken, heeft u altijd passende onderdelen voor uw Kymco Super8 4-takt v.a 2009 mat zwart.


