Technische tekeningen voor Kymco Vitality 2-takt pearl zilver
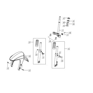
Klik hier op de technische tekeningen of te wel exploded view van de Kymco Vitality 2-takt pearl zilver waar u onderdelen of accessoires voor zoekt. De technische tekeningen van de Kymco Vitality 2-takt pearl zilver geven u een duidelijk overzicht van de verschillende passende onderdelen en accessoires. Door zo uw onderdelen te zoeken, heeft u altijd passende onderdelen voor uw Kymco Vitality 2-takt pearl zilver.


