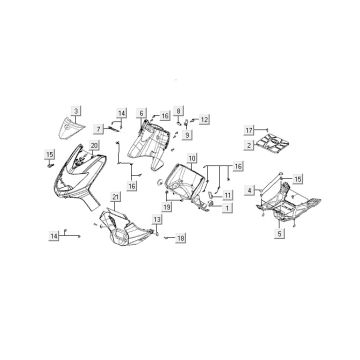
Technische tekeningen voor Kymco VP50 4-takt techno silver
Klik hier op de technische tekeningen of te wel exploded view van de Kymco VP50 4-takt techno silver waar u onderdelen of accessoires voor zoekt. De technische tekeningen van de Kymco VP50 4-takt techno silver geven u een duidelijk overzicht van de verschillende passende onderdelen en accessoires. Door zo uw onderdelen te zoeken, heeft u altijd passende onderdelen voor uw Kymco VP50 4-takt techno silver.


