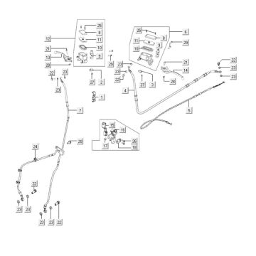
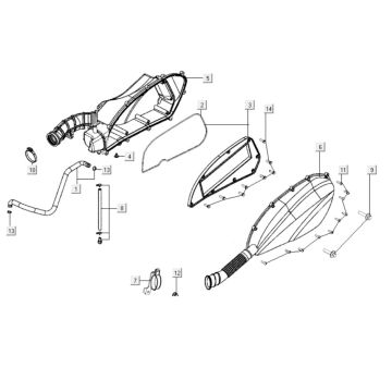
Technische tekeningen voor Kymco Xciting 400i Geel
Klik hier op de technische tekeningen of te wel exploded view van de Kymco Xciting 400i Geel waar u onderdelen of accessoires voor zoekt. De technische tekeningen van de Kymco Xciting 400i Geel geven u een duidelijk overzicht van de verschillende passende onderdelen en accessoires. Door zo uw onderdelen te zoeken, heeft u altijd passende onderdelen voor uw Kymco Xciting 400i Geel.


